{__SARE}
Strona główna » SYSTEMY PRZECIWPOŻAROWE » SYGNALIZATORY PPOŻ W2 » SAOZ-Pk2 Zewnętrzny sygnalizator akustyczno-optyczny

Dystrybutor

ALARMTECAMBIENT SYSTEMATTEBCSBCS BASICBCS LINEBCS POINTBITNERBOSCHCROWCyberPowerD+HDSCEASTEL HOMEELFONELMES ELECTRONICEURAFIBARO GENEVOIGERDAINIM ELECTRONICSIPOXKABEKaDeKIDDE CommercialMERCORPOLON-ALFAPULSARROGERROPAM ELEKTRONIKSATELSIEMENSSOLO DETECTOR TESTERSTEXECOMVIDICONW2WESTERN DIGITAL

Aktualności

  • Poznaj inteligentne zamki tedee

    Odkryj nową erę bezpieczeństwa z inteligentnym zamkiem Tedee – Twoje drzwi wkraczają w przyszłość! Dzięki Tedee możesz kontrolować dostęp do swojego domu bezpośrednio ze smartfona, niezależnie od tego, gdzie jesteś. To więcej niż zamek – to centrum zarządzania Twoim bezpieczeństwem.
SAOZ-Pk2 Zewnętrzny sygnalizator-optyczno akustycznySAOZ-Pk2 Sygnalizator-optyczno akustycznySchemat synchronizacji sygnalizatorów SA-K5N, SA-K7N, SAOZ-Pk2
SAOZ-Pk2 Zewnętrzny sygnalizator-optyczno akustyczny
SAOZ-Pk2 Sygnalizator-optyczno akustyczny
Schemat synchronizacji sygnalizatorów SA-K5N, SA-K7N, SAOZ-Pk2

SAOZ-Pk2 Zewnętrzny sygnalizator akustyczno-optyczny

W2

Kod producenta: SAOZ-Pk2

Gwarancja: 3 lata

Cena brutto: 601,47 zł

Cena netto: 489,00 zł

Brak zmiany ceny produktu w ciągu ostatnich 30 dni

Ilość: szt.
Dodaj do koszyka

dodaj do schowka

{__FB_LUBIE_TO}
  • Opis produktu
  • Do pobrania (3)
Zewnętrzny sygnalizator akustyczno-optyczny SAOZ-Pk2 dedykowany do sygnalizowania pożaru na zewnątrz budynków. Sygnalizatorzostał zaprojektowany zgodnie z wymaganiami normy EN 54-23:2010 oraz EN 54-3:2001+A1:2002+A2:2006.

Sygnalizator posiada obudowę wykonaną z tworzywa sztucznego niepalnego, w której znajdują się elementy elektroniczne. W kloszu obudowy zamontowana jest lampa błyskowa, zbudowana w oparciu o diody LED mocy. W obudowie sygnalizatora umieszczone jest złącze zasilające oraz sześciopozycyjny mikroprzełącznik, za pomocą  którego możliwe jest wybranie trybu pracy sygnalizatora – „master” lub „slave”, wzoru dźwięku (1 z 4), zmniejszenie głośności sygnalizatora o około 6dB (zmiana skokowa), zmniejszenie obszaru pokrycia, opóźnienie wyłączenia lampy błyskowej. Domyślnie ustawionym dźwiękiem jest sygnał straży pożarnej.
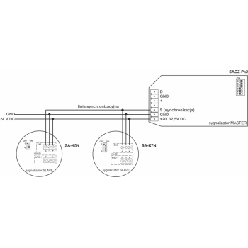
Synchronizacja:

Sygnalizator pożarowy optyczno-akustyczny SAOZ-Pk2 umożliwia tworzenie sieci sygnalizatorów pracujących synchronicznie (synchronizacja części akustycznej i optycznej z wykorzystaniem dodatkowej linii). Sygnalizator przystosowany jest do współpracy z wyłącznikiem WSD-1, sygnalizatorami SA-K5N, SA-K7N. W celu zbudowania sieci sygnalizatorów, użytkownik musi skonfigurować sygnalizatory, tak aby w sieci był tylko jeden sygnalizator „master”. Pozostałe sygnalizatory powinny pracować w trybie „slave”.
 
Schemat synchronizacji sygnalizatorów SA-K5N, SA-K7N, SAOZ-Pk2
Schemat synchronizacji sygnalizatorów SA-K5N, SA-K7N, SAOZ-Pk2

Współpraca z WSD-1:
Sygnalizator SAOZ-Pk2 współpracuje również z wyłącznikiem WSD-1. W przypadku, gdy sygnalizatory pracują w sieci, podłączenie wyłącznika WSD-1 do sygnalizatora „master” powoduje wyłączenie sygnału akustycznego wszystkich sygnalizatorów w sieci, natomiast podłączenie wyłącznika WSD-1 do sygnalizatora „slave” powoduje wyłączenie sygnału akustycznego tylko w jednym sygnalizatorze.

Opóźnienie wyłączenia sygnału optycznego sygnalizatora:
Sygnalizator SAOZ-Pk2 posiada funkcję opóźnienia wyłączenia sygnału optycznego. Może być ona wykorzystana, gdy do urządzenia podłączony jest wyłącznik WSD-1 oraz mikroprzełącznik LD ustawiony jest na ON. W takiej konfiguracji naciśnięcie wyłącznika WSD-1 powoduje natychmiastowe wyłączenie sygnału akustycznego oraz wyłączenie lampy błyskowej ze zwłoką ok. 120 sekund. Po upływie tego czasu nie będzie emitowany ani sygnał akustyczny ani optyczny.
Lampa błyskowa:

Sygnalizator SAOZ-Pk2 posiada zupełnie nowy człon optyczny zbudowany w oparciu o diody LED. Dzięki temu znacznie został obniżony pobór prądu w stanie alarmu. Wykorzystanie diod umożliwiło również wydłużenie czasu błysku, który wynosi ~0,19 s.

SAOZ-Pk2 został wyposażony w posiada możliwość włączenia obniżonego obszaru pokrycia (mikroprzełącznik LP – ON). Aktywowanie trybu powoduje zmniejszenie bryły fotometrycznej generowanej przez człon optyczny. W trybie obniżonego obszaru pokrycia oraz obniżonego poziomu głośności pobór prądu przez sygnalizator wynosi <50 mA (przy zasilaniu znamionowym 24 V DC).

 
Typ sygnalizatora akustyczno-optyczny
Napięcie zasilania (Uz) 20 – 32,5 V DC
Pobór prądu w stanie spoczynku 0 mA
Pobór prądu w stanie alarmowania (przy Uz=24V DC) <0,1 A
Pobór mocy w stanie alarmowania (przy Uz=24V DC) <2,4 W
Natężenie dźwięku w odległości 1m Tryb pełnej głośności > 110 dB
Tryb obniżonej głośności > 104 dB
Rodzaj środowiska pracy Typ B
Zakres temperatury pracy -25°C ÷ +70°C
Stopień ochrony zapewniony przez obudowę IP33C
Rodzaj przewodu linii dozorowej/sygnałowej/zasilania Zgodnie z przepisami, gwarantowany przekrój zgodnie z EN 54-23 od 0,28 mm² do 1,5 mm² włącznie
Max. przekrój przewodu 1,5 mm²
Barwa emitowanego światła Wg świadectwa dopuszczenia: czerwona
Wg normy EN 54-23:2010 biała lub czerwona
Liczba błysków na minutę 33 rozbłyski na minutę
Czas pojedynczego rozbłysku tb~0,19 s
Kategoria urządzenia Kategoria O
Masa ~960 g
Wymiary 312x295x95 mm
Współpracująca puszka instalacyjna PIP-3AN
 
Pozostałe produkty z kategorii
Negocjacja cen
Newsletter

 

Korzystanie z tej witryny oznacza wyrażenie zgody na wykorzystanie plików cookies. Więcej informacji możesz znaleźć w naszej Polityce Cookies.
Nie pokazuj więcej tego komunikatu